Kurbelgehäuseentlüftung
Allgemein
Bei laufendem Motor strömt ein Teil der Verbrennungsgase auch bei intakten Kolbenringen zwischen Kolben und Zylinder in das Kurbelgehäuse (Blow-By). Werden diese Gase nicht abgeleitet, würde der Druck im Kurbelgehäuse übermäßig ansteigen, was negativen Einfluss auf das Schmier- und Dichtsystem des Motors hat; der Motor würde undicht werden. Zusätzlich entstehen Kondenswasserdampf sowie Dämpfe aus dem sich erwärmenden Öl. In früheren Jahren wurde diese Gasmischung direkt in die Luft abgeleitet, was aber schon seit Langem aus Umweltschutzgründen nicht mehr erlaubt ist. Daher werden die anfallenden Dämpfe dem Verbrennungsprozess zugeführt.
Das System der Kurbelgehäuseentlüftung sorgt für die Ableitung der Dämpfe in den Ansaugbereich des Motors. Im Laufe der Weiterentwicklung des Motors ist das auf unterschiedliche Art und Weise realisiert worden.
1600er Vergaser
Die Dämpfe werden über einen Schlauch(1) vom Ölabscheider(3) zum Luftfilterkasten geleitet. Dort werden diese mit der Ansaugluft vermischt und mit verbrannt. Bei geringer Drehzahl und im Leerlauf ist die Saugwirkung im Luftfilterkasten durch die geschlossener Drosselklappe zu gering, sodass ein Teil der Dämpfe über einen kleinen Primärluftschlauch(2) direkt über den Vergaserfuß, ins Ansaugrohr geleitet wird. Damit es keine Beeinflussung des Leerlaufsystems gibt, sorgt ein unterdruckgesteuerter Drehschieber im Vergaserfuß dafür, daß die angesaugte Menge klein genug bleibt.
Ein Knäuel aus Messingdraht, der sogenannte Flammenlöscher, ist in den Schlauch(1) eingeschoben und soll bei Fehlzündungen das Durchschlagen der Flammen ins Kurbelgehäuse verhindern.
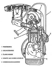
1700er Vergaser
Der Hauptunterschied ist hier ein geänderter Ölabscheider mit einem zusätzlichen Abgang für den Primärschlauch(4), welcher zum Vergaserfuß führt. Der Sekundärschlauch(5) führt weiterhin zum Luftfilterkasten. Das Prinzip der Dampfableitung ist wie beim 1600er Vergaser. Auch der Flammenlöscher(3) wurde wieder verbaut.
1700er SPI
Ähnlich aufgebaut wie der 1700er Vergaser gibt es auch hier einen Sekundärkreis(2) welcher vom Ölabscheider direkt zum Luftfilter führt und einen Primärkreis(1), welcher in der Einspritzeinheit in einer kalibrierten Düse endet. Im Leerlauf werden die Dämpfe über die unter hohem Saugdruck stehende Primärleitung (dünner Schlauch) abgeleitet. Im normalen Fahrbetrieb oder bei weit offener Drosselklappe strömen die Dämpfe über den Sekundärschlauch(2) direkt zum Luftfilter.
1700er MPI
Inhalt unter Vorbehalt - vermutlich wird hier die PKW-Version beschrieben.
Die Entlüftung besteht aus drei Schläuchen und einem Ölabscheider. Durch einen großen Schlauch gelangen die Dämpfe in den Ölabscheider. Dieser ist über einen dünnen und einen größeren Schlauch mit dem Ansaugbereich verbunden. Der dünnere Schlauch führt die Dämpfe über eine Düse direkt in den Raum hinter der Drosselklappe. Im Standgas oder bei geringer Öffnung der Drosselklappe werden über diesen Schlauch mehr Dämpfe abgesaugt als bei ganz geöffneter Drosselklappe. Der größere Schlauch ist mit dem Saugrohr vor der Drosselklappe verbunden.
Der Nachteil dieser Lösung ist, daß das Gas nie „rein“ in den Verbrennungsraum gelangt, sondern immer mit Ölresten verunreinigt ist. Diese Verunreinigungen verursachen Ablagerungen in allen Bauteilen die zwischen der Einleitungsstelle und dem Verbrennungsraum liegen. Besonders betroffen sind dabei Luftmassenmesser, Luftfilter und Drosselklappeneinheit. Dadurch kann je nach Stärke der Ablagerungen der Motorbetrieb gestört werden. Bei neueren Modellen ist deshalb der größere Schlauch erst nach dem Luftfilter am Ansaugtrakt befestigt, wodurch zumindest Luftfilter und Luftmassenmesser nicht mehr verölt werden.
Fehlersymptome
- Vergaser
Bei starkem Frost kann es passieren, daß aufsteigendes Kondenswasser sich am Flammenlöscher niederschlägt und gefriert. Infolgedessen kann sich im Kurbelgehäuse ein hoher Druck aufbauen welcher zu Ölleckagen und im Extremfall zum Absterben des Motors führen kann. Außerdem bildet sich Schlamm im Motor.
- SPI
Eine verstopfte Düse am Drosselkörper führt zu Leerlaufschwankungen, Ölleckagen, Öl im Luftfilter und Ölschlamm im Motor.
- MPI
Eine verstopfte Düse am Drosselklappenstutzen verursacht Leerlaufschwankungen, Ölleckagen, Verölen des Luftmassenmessers und Luftfilters sowie Ölschlamm im Motor.
Blowby-Gase
Als Blowby-Gase bezeichnet man den Gasdruckverlust der zwischen Kolben und Zylinderrohr auftritt. Durch diesen wird auch der Wirkungsgrad verringert, was sich auf den Anteil der effektiv nutzbaren Arbeit auswirkt. Um diese Durchblasverluste zu minimieren, ist bei den Ladamotoren, wie auch bei allen anderen modernen Motoren, der Kolben mit zwei Verdichtungsringen und einem Ölabstreifring ausgestattet. Die gewünschte Abdichtung zur Zylinderwand entsteht Aufgrund des Anpressdruckes der Kolbenringe. Allerdings darf dieser Anpressdruck nicht zu hoch ausfallen, da es sonst zu einer zu hohen Reibung kommt, was wiederum Reibungsverluste hervorruft. Da diese Abdichtung nie 100%ig ist, entweicht ein Teil der Verbrennungsgase ins Kurbelgehäuse und vermischt sich mit dem dort befindlichen Öl, wodurch wiederum eine Schmierölverdünnung entsteht. Auch der Ölverbrauch kann sich erhöhen, wenn die Blowby-Gase über den Ansaugtrakt der Kurbelgehäuseentlüftung wieder zurückgeführt werden. Selbst der Katalysator kann dadurch geschädigt werden, wenn er mit zu vielen Öladditiven in Berührung kommt.
